Функциональные возможности разных типов
Основными недостатками индукционных приборов считаются низкая точность и слабая защита от мошенничества (кражи электроэнергии). Кроме того, они боятся пыли, требуют строго вертикальной установки и нуждаются в частой поверке. Ввиду простоты конструкции изделия эти однотарифные и не имеют дистанционного управления, но зато механические электросчетчики надежны, долговечны – в них просто нечему ломаться – и стоят совсем недорого. На сегодняшний день индукционные приборы учета считаются устаревшими и их выпуск прекращен.

Полностью электронные и электронно-механические устройства хоть и стоят много дороже индукционных, но отличаются высокой точностью, надежной защитой от саботажа и широким функционалом. Они могут поддерживать несколько тарифов (до 4 и более), позволяют считывать показания дистанционно, работают в любом положении и не боятся вибрации.
Единственно, дисплей у электронного типа не выносит минусовых температур – он просто «тухнет». Именно по этой причине в холодных регионах и при установке на улице, неотапливаемых частных домах и гаражах специалисты рекомендуют пользоваться электронно-механическими моделями.
Электросчетчики всех типов выпускаются в одно- и трехфазном исполнении. Трехфазные устройства имеют тот же принцип работы, что и однофазные, и могут контролировать расход электрической энергии одновременно по всем трем фазам, хотя вполне работоспособны и в однофазных сетях.
Критерии выбора трёхфазного электросчётчика: на что обратить внимание при покупке
Приобретение подобного оборудования – довольно ответственное мероприятие. Ведь шутки с электричеством могут закончиться весьма плачевно
Поэтому стоит тщательно изучить все нюансы, на которые следует обратить внимание. Основной критерий – это качество продукции и его стоимость
Не стоит обращать внимание на прибор учёта электроэнергии, цена которого значительно ниже, чем у других моделей. Корпус прибора должен быть выполнен аккуратно. Торчащие по швам излишки пластика, как и его неравномерный цвет, должны насторожить покупателя. А приобретать электросчётчики нужно только в проверенных специализированных магазинах.
В частных домах можно собрать трёхфазный щит довольно аккуратноФОТО: drive2.ru
Что касается технических характеристик, то основное внимание необходимо обратить на два параметра – тип работы прибора и его конструктивное исполнение
Разделение электросчётчиков по типу работы
Выбор между аналоговым или электронным прибором учёта электроэнергии остаётся полностью за потребителем. Конечно, первый вариант является более простым и, как следствие, имеет меньшую стоимость. Однако впоследствии расходы по счетам могут быть выше по причине отсутствия возможности учёта с разделением тарифов.
Электронные модели на сегодняшний день более востребованы. Они позволяют экономить средства на разнице стоимости электроэнергии в дневное и ночное время. Переплатив при покупке, пользователь получает возможность платить меньше впоследствии. Но если планируется установка прибора учёта на подачу электроэнергии в помещение, где все работы производятся только днём, то многотарифное оборудование устанавливать будет невыгодно и даже убыточно.
Многотарифный счётчик «Энергомера»ФОТО: shuchin.deal.by
Конструктивное исполнение электросчётчиков: особенности некоторых моделей
Не все знают, что трёхфазные счётчики электроэнергии могут включаться в цепь по-разному. В бытовых электросетях, где нагрузки не слишком велики, используются приборы учёта прямого включения. Это привычная всем коммутация, при которой питание проходит непосредственно через счётчик.
Прямое включение электрического счётчикаФОТО: pro100electrik.ru
На предприятиях, где нагрузка бывает очень высока, используют приборы учёта косвенного включения. Их коммутация отличается. Для того, чтобы подключить такой электросчётчик, на токоведущие шины устанавливаются катушки трансформаторов, от которых провод уже идёт на сам прибор учёта. Таким образом, счётчик электроэнергии напрямую не контактирует с токоведущим проводником.
Косвенное включение счётчикаФОТО: eraelektro.ru
Разновидности ЦЭ6308
Помимо того, что модели ЦЭ6803в различаются по техническим характеристикам, они имеют разное крепление. Способ крепления отражён в маркировке следующим буквенно-цифровым кодом:
- R31;
- R32;
- Ш33.
R31, R32
Наличие кода такого вида в маркировке аппарата означает, что его корпус оснащён зацепами. Ими счётчик крепится к DIN-рейке. Рейка представляет собой металлический профиль в виде швеллера с продольной просечкой. Планка позволяет смонтировать ЦЭ6803в вместе с автоматами защиты одновременно.

DIN-рейка
Ш33
На задней панели счётчика расположены 3 петли для крепежа болтовыми анкерами внутри щитка или шкафа. На это указывает обозначение Ш33 в маркировке устройства.
Разновидности схем подключения
Трехфазный счетчик прямого подключения
Устройство предназначено для монтажа в электролиниях с силой тока до 100 А. Так можно снизить нагрузку техники, совместимой с приборами учета до 60 кВт. Особенность прямых счетчиков – невозможность присоединения контактов к проводникам большого сечения. Подключаться следует так:
- С кабеля снимается изоляционный слой на 5 мм. Окисления удаляются при помощи растворителя.
- Проводники подсоединяются на трехполюсный автомат, установленный для счетчика. Это выполняется с целью его защиты от замыкания на линии питания.
- В клеммном отделе прибора находятся контакты.
- На нечетные подкидываются 3 провода фазы от автовыключателя питания.
- Вводные и выходные нейтрали соединяются с клеммами № 7 и № 8.
- После установки учетного модуля ставится автомат, аналогичный вводному изделию.
- Выключатель подсоединяется на четные клеммы.
- Проводится разбивка техники на группы и на каждую фазу ставятся автоматы (для сетей с напряжением 220 В).
Особенности схемы подключения можно посмотреть на крышке клеммника.
Подсоединение прибора учета полукосвенным способом
Полукосвенный электросчетчик подкидывается на трансформаторы учета. Считать количество использованной энергии нужно, ориентируясь на преобразовательный индекс. Для этого используется одна из схем:
- Десятипроводная. Понадобится 11 проводов, которые подключаются справа влево. На первые 3 подсоединяется фаза А, на вторые 3 – фаза В. На кабели № 7-9 подкидывается фаза С, на десятый – нейтраль. Подключать трехфазник нужно испытательными колодками.
- Звезда. Применение схемы позволяет сократить количество проводников. Вначале в одной общей точке собираются первые однополярные выходы вторичной обмотки. Следующие 3 точки от выходов направляются на счетчик. Токовые обмотки соединяются.
Звезда
Десятипроводная
Полукосвенные модели также допускается подкидывать при помощи сцепки цепи тока с цепью напряжения.
Косвенный метод подключения счетчика
Схема включения трехэлементного счетчика к трехпроводной линии — два трансформатора тока, три трансформатора напряжения
При минимальных энергозатратах актуально косвенное соединение. Поскольку через учетные изделия проходит повышенный ток, требуется раздельный трансформатор. Преобразователь разрывает токовую обмотку при подключении. Схема реализуется последовательно:
- Подбор материалов для первичного и вторичного контуров. Для первички понадобится толстый проводник, пропущенный через центр трансформатора. Вторичка навивается из тонкой проволоки.
- Трансформаторы подкидываются на каждую из фаз и крепятся к задней стенке распредшкафа.
- Концы проводов первички подключаются к автомату на вводе.
- Вторая часть контактов первичного контура отдельными проводниками сечением 1,5 мм2 подсоединяется на клеммы № 2, 5 и 8.
- Вторичную катушку подсоединяют аналогичными кабелями на выводы учетного прибора – 1 к 3, 4, а 6 и 7 к 9.
- На клеммники № 10 и 11 подкидывают нейтральный провод.
Прямое включение трёхфазного прибора
Наиболее простым способом подключения, который напоминает стандартную схему установки счётчика однофазного типа является прямое включение прибора контроля потребления электроэнергии. Основной отличительной чертой таких устройств является наличие большего количества клеммных контактов, чем в однофазных аналогах. В свою очередь, сам монтажный процесс трёхфазного прибора «Меркурий» заключается в определённой последовательности действий.
- Подводящие проводники зачищаются от изоляции и подключаются к защитному автоматическому выключателю трёхфазного типа.
- Сразу за автоматом выполняется подключение фазных жил в количестве 3 шт. к парным клеммным контактам начиная с правой стороны прибора. Соответственно вывод фазной проводки выполняется с нечётных зажимов.
- Подключение нулевого проводника выполняется соответственно к двум оставшимся контактам 7 и 8.
- Сразу за электрическим счётчиком монтируются трёхполюсные защитные автоматы.
- К счётчику «Меркурий» можно подключать и стандартное бытовое оборудование. С этой целью необходимо выполнить отводку однополюсного автомата от любого фазного провода и, естественно, от нулевой клеммы.
Если запланирована установка нескольких потребителей однофазного типа, то они должны равномерно распределяться, для чего подключаются через автоматы с разных фазных проводников, взятых сразу после электросчётчика.
Стоимость
А что насчет цены на новый счетчик? Здесь многое зависит от того, какое устройство выберет покупатель. Конечно, счетчики, предназначенные для однофазной сети, дешевле, а адаптированные к трехфазной – дороже. Также можно заметить сильную разницу между индукционной и электронной моделями – последние также стоят дороже.
Какой счетчик трехфазный нужен для частного дома? Вариантов полно, но если у вас нет уверенности в том, что знаний достаточно, проконсультируйтесь со специалистом. Минимальная сумма, которую надо будет заплатить за трехфазный счетчик, составляет 1 000 рублей. За более дорогие модели придется выложить куда большую сумму. Однако, чтобы не переплачивать, лучше вызвать мастера на дом. Он сможет назвать соответствующую сумму и подсказать параметры для выбора счетчика. Не стоит покупать трехфазный счетчик вслепую, поскольку имеется огромный риск потерять деньги.

Схема подключения трехфазного счетчика

В этой статье мы вам расскажем, как выглядит схема подключения трехфазного счетчика к сети, и расскажем все советы по монтажу.
Хочется заметить, что такая схема является довольно сложной, легкой кровью здесь обойтись не получится.
Чтобы вы не только прочитали полезную информацию, мы нашли для вас еще несколько видео-уроков, которые помогут подключить трехфазный счетчик к сети самостоятельно.
Подготовительный этап
Подключения электрического счетчика – это завершающий этап во время электромонтажных работ. Так что, вы должны в обязательном порядке иметь перед глазами монтажную схему проводки в вашем доме.
Прибор перед установкой нужно проверять на наличие всех пломб на вантах кожуха, если их нет – счетчик подключать к трехфазной сети нельзя.
Каждая пломба должна содержать в себе информацию о дате выпуска, дате последней проверки и печать проверяющего органа.
Важно
Во время присоединения всех проводов обязательно делайте запас в 70 см, он позволит в дальнейшем сразу исправлять проблемы. Ведь счетчик может быть установлен неправильно, или вы просто через время захотите поставить более современный, к примеру, двухтарифный счетчик.
Каждый провод должен крепко зажиматься в клеммной коробке двумя винтами, смотрите фото.
Перед затягиванием нижнего провода необходимо четко убедиться в том, что верхний провод зажат хорошо, проверить это легко – просто подергайте его. Многожильные провода нужно опрессовать, по-другому установить их не получится. Крепить счетчик стоит на специальную ДИН-рейку.
Схема подключения трехфазного счетчика к сети 220 и 380 Вольт
Такая схема подключения трехфазного счетчика к сети считается самой популярной, ведь произвести ее проще всего, да и по эффективности она ни в коем случае не уступает. В такой ситуации счетчик подключается к сети напрямую, измерительные трансформаторы не используются вовсе.
Для домашнего использования такую схему использовать – это лучшее решение. Номинальный ток составляет от 5 до 50А, основную роль здесь играет тип провода. Напряжение сети составляет 380 Вольт, в некоторых ситуациях может изменяться. Во время подключения трехфазного счетчика к сети необходимо соблюдать простую цветовую маркировку проводов:
- Первая фаза А, должна быть желтого цвета.
- Фаза B зеленая.
- Фаза C – красная.
- Нулевой провод означается N, цвет синий.
- Заземляющий провод PE – желто-зеленого.
Чтобы защитить счетчик от ненужных перегрузок устанавливаются дополнительные автоматические выключатели.
Вот так выглядит схема подключения трехфазного счетчика к сети, на рисунке все изображено просто.
Видео инструкция о том, как подключить счетчик непосредственно к сети.
Подключение трехфазного счетчика прямого включения
13 Июл 2018г | Раздел: Электрика
Здравствуйте, уважаемые читатели сайта sesaga.ru. Для учета потребляемой электрической энергии в трехфазных четырехпроводных цепях переменного тока применяют трехфазные электрические счетчики, разделяющиеся по типу подключения на счетчики непосредственного включения, полукосвенного и косвенного включения.
Газовый счетчик вк g4t на сайте gazo-schetchik.ru
Счетчики полукосвенного и косвенного включения предназначены для работы в мощных электрических сетях и применяются для учета энергии на крупных строительных объектах, промышленных предприятиях, заводах и т.п.
Счетчик измеряет потребляемую энергию с помощью разделительных трансформаторов тока, которые устанавливают на каждую фазу. Трансформаторы преобразуют входной сигнал тока до определенной величины, который затем поступает в измерительную часть счетчика.
Отсюда и происходит название способа включения, потому что в процессе измерения ток сначала проходит через трансформаторы и понижается до рабочего диапазона счетчика, и только потом попадает в его измерительную часть. Поэтому за счет применения трансформаторов счетчики косвенного и полукосвенного включения могут работать с нагрузкой в несколько раз превышающей их рабочий ток.
Счетчики непосредственного включения применяются для учета потребляемой энергии в электрической сети маломощного потребителя. Измерение электроэнергии осуществляется внутренней схемой самого счетчика, которая подключается непосредственно к трехфазной четырехпроводной сети переменного тока. И хотя такое включение ограничено максимальным током, который способен пропустить счетчик и ограничено величиной 100 Ампер, однако этого тока вполне достаточно для домашней электрической сети.
На примере трехфазного счетчика непосредственного включения «Энергомера» я расскажу Вам, как его включить в трехфазную сеть. В принципе, схема подключения дается в руководстве по эксплуатации и дополнительно изображена на корпусе счетчика, поэтому проблем с подключением возникнуть не должно. Однако эти схемы имеют один минус – на них не показано включение коммутационной аппаратуры.
Сейчас мы этот минус устраним.
Итак. Для подключения нам понадобится счетчик, два автоматических выключателя и нулевая шинка. Автомат, который будет стоять на вводе (перед счетчиком), желательно установить четырехполюсный, чтобы при необходимости или возникновении аварийной ситуации можно было полностью отключить себя от линии.
Чтобы добраться до клеммной колодки необходимо открутить винт и снять нижнюю крышку. На рисунке винт обозначен кружком.
Сначала подключим вводной автомат.
С выходных клемм автомата фазы А, В, С (белый провод) подключают на входные клеммы счетчика 1-3-5, а ноль N (синий провод) на клемму 7.
В процессе монтажа провод от изоляции очищают следующим образом: конец провода, подключаемый к выходной клемме автоматического выключателя, очищают от изоляции на длину 8 – 10 мм, а конец, подключаемый к клемме счетчика, очищают на длину 27 – 30 мм.
При подключении провода к счетчику откручивают оба винта контактного зажима. Провод вставляют до упора и первым закручивают верхний винт. Легким подергиванием провода убеждаются, что он плотно зажат и если зажат, то затягивают нижний винт.
Совет. Если счетчик предполагается использовать в частном доме или квартире, то монтаж внутренних соединений выполняется медным проводом сечением 4мм². Использовать провод сечением свыше 4мм² нет смысла, так как для домашнего потребителя Россеть более 15 кВт не дает и по техническим условиям вводной автомат разрешает устанавливать на нагрузку не более 25 Ампер. А рабочий ток медной жилы сечением 4мм² составляет приблизительно 32 Ампера, чего вполне достаточно.
Продолжаем.
С выходных клемм счетчика 2-4-6 провода фаз А, В, С подключаются на входные клеммы автоматического выключателя, с выхода которого трехфазное напряжение поступает в домашнюю электрическую сеть. С клеммы 8 нулевой провод N подключается к нулевой шинке.
А вот как выглядит полная монтажная схема включения трехфазного счетчика.
Теперь если подать напряжение на счетчик, то на его лицевой панели должен зажечься световой индикатор «Сеть». А при подключении нагрузки световой индикатор «600 imp/kW•h» (или «400 imp/kW•h» — в зависимости от исполнения) должен мигать.
Также рекомендую посмотреть ролик о включении трехфазного счетчика прямого включения в трехфазную электрическую сеть.
Как подключить электросчетчик через трансформаторы тока?
Схем такого подключения существует несколько. Разберем все эти схемы применительно к трехфазному варианту включения. Для чего нужны электросчетчики? Вообще счетчики нужны для того, чтобы учитывать электрическую энергию, потребленную в трех- и четырехпроводных сетях с частотой тока, равной 50 герц.Счетчики трехфазного типа бывают следующих видов:
- 3*57.7/100 В;
- 3*230/400 В.
К источнику электроэнергии такие счетчики необходимо подключать с использованием измерительных трансформаторов тока, рассчитанных на вторичный ток 5 А и трансформаторов напряжения со вторичным напряжением 100 В.
Рассматриваемые тут схемы применимы к любым типам счетчиков (и к аппаратам индукционного типа, и к электронным).
Первое, что необходимо помнить, выполняя подключение, это то, что при подключении необходимо соблюдение полярности подключения обмоток (Л1, Л2 – первичная; И1, И2 – вторичная) у трансформаторов тока. Полярность обмоток трансформаторов напряжения, так же, подлежит обязательной перепроверке. Сами трансформаторы, тоже нужно выбирать правильно.
О принципах подключения с использованием трансформаторов тока
Начнем рассматривать схемы подключения со счетчиков, имеющих полукосвенное включение. Таких схем существует несколько.
Десятипроводная
В этой схеме разделены цепи питания по току и напряжению, что придает немалый плюс из соображения электрической безопасности.
Отрицательная сторона этой схемы – проводов для подключения надо много.
Теперь разберем назначение имеющихся зажимов:
- Зажим входного провода для фазы А;
- Зажим входного провода измерительной обмотки фазы А;
- Зажим выходного провода для фазы А;
- Зажим входного провода фазы В;
- Зажим входного провода измерительной обмотки фазы В;
- Зажим выходного провода для фазы В;
- Зажим входного провода для фазы С;
- Зажим входного провода измерительной обмотки фазы С;
- Зажим выходного провода для фазы С;
- Зажим входного нулевого провода;
- Зажим нулевого провода.
Контакты трансформаторов тока:
- Л1 – контакт входа фазной (силовой) линии;
- Л2 – контакт выхода фазной линии (нагрузки);
- И1 – контакт входа обмотки измерения;
- И2 – контакт выхода обмотки измерения.
Вот описание схемы такого подключения.
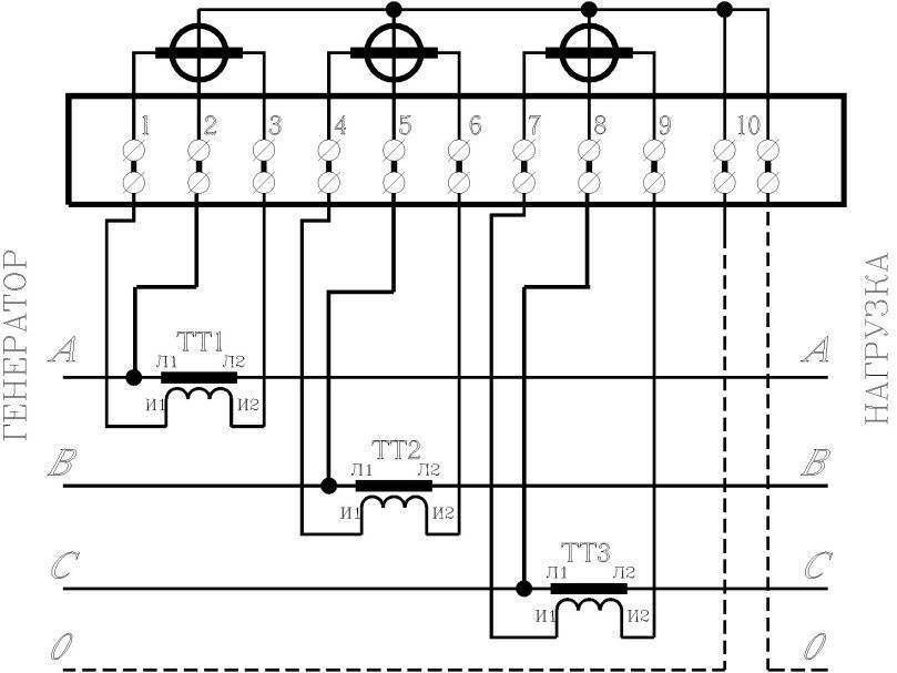
Токовые трансформаторы подключать нужно в разрыв фазных проводов клеммами Л1 и Л2.
Фаза А подключается к клемме Л1 трансформатора тока ТТ1, туда же подключается клемма 2 счетчика. Клемма 1 подключается к контакту И1 ТТ1.
Контакты И2 трансформаторов тока ТТ1 и ТТ2 нужно соединить вместе, в эту же точку подключают контакты 6 и 10 счетчика, после чего все это требуется соединить с нейтралью.
Контакты Л2 всех ТТ подключаются к нагрузке. Теперь рассмотрим подключение остальных контактов:
- Контакт 3 счетчика подключаем на И2 ТТ1;
- Контакт 4 счетчика – И1 ТТ2;
- Контакт 5 счетчика – вход фазы В и клемма Л1 ТТ2;
- Контакт 7 счетчика – клемма И1 ТТ3;
- Контакт 8 счетчика – вход фазы С и клемма Л1 ТТ3;
- Контакт 9 счетчика – клемма И2 ТТ3.
Подключение токовых трансформаторов по схеме «звезда»
В такой схеме нужно меньшее число проводов, чтобы выполнить подключение. В этой схеме клеммы И2 всех токовых трансформаторов, соединяясь вместе, подключаются к клемме 11 счетчика. Контакты 3, 6, 9 и 10, соединившись вместе, подключаем на нулевой провод. Остальные клеммы подключаем так же, как и в предыдущем варианте.
Схема подключения с применением испытательной клеммной коробки
Существует специальное требование для выполнения подключения электросчетчиков через трансформаторы (ПУЭ, гл1.5, п1.5.23), говорящее о том, что это подключение необходимо выполнять с применением испытательного блока (коробки).
Присутствие такой коробки (блока) дает возможность производить замыкание вторичных обмоток токовых трансформаторов, подключить эталонный (образцовый) счетчик без отключения нагрузки и выполнять смену счетчиков, производя отключение всех цепей в испытательной коробке.
Без внимания оставим только одну схему – семипроводную (иначе называемую схемой, имеющей совмещенные цепи напряжения и тока). Не рассматриваем ее по той причине, что такая схема устарела.
Существенным ее минусом считается то, что у нее имеется связь гальванического типа между входными и выходными цепями, а это является источником немалой опасности для тех, кто будет обслуживать электросчетчики.
Вот мы и рассмотрели все существующие схемы подключения электросчетчиков с применением трансформаторов тока. Какой из них использовать, индивидуальное дело каждого. Единственное, что необходимо учитывать при этом, так это индивидуальные особенности места необходимой установки прибора и не забывать про требования специальных правил ПУЭ.
10-проводная схема подключения
10-проводная схема подключения 3-фазного электросчетчика к питающей сети изображена на рисунке 1.

Рисунок 1. Схема подключения 3-фазного промышленного счетчика по 10-проводной схеме
При ее реализации пары контактов 1 и 3, 4 и 6, 7 и 9 выполняют функции токовых и включены через вторичную обмотку трансформаторов тока. Потенциальные контакты 2, 5 и 8 подключаются к фидеру непосредственно.
Сильные стороны такой схемы:
- удобство эксплуатации сети (главным образом за счет отсутствия необходимости отключения нагрузки при замене счетчика);
- безопасность эксплуатации из-за наличия заземления токовых цепей;
- точность показаний, что определяется независимым сбором данных по каждой фазе.
Главный недостаток – повышенный расход материалов при создании. Он устранен в схемах с двумя токовыми трансформаторами, один из вариантов которой показан на рисунке 2. Цена такой экономии меньшая точность функционирования.

Рисунок 2. Двухтрансформаторная схема подключения 3-фазного счетчика
Схема однофазного счетчика. Подключение счетчика

Схема однофазного счетчика достаточно проста. В данной статье я расскажу вам, как подключить однофазный счетчик. Я уже писал ранее, как правильно выбрать электросчетчик для дома, квартиры. Теперь после покупки счетчика, стоит новая задача – подключить однофазный счетчик к электросети.
Однофазные счетчики для домов и квартир, изготавливают прямого включения, т.е. без дополнительных понижающих трансформаторов тока.
Ничего сложного в подключении однофазного счетчика нет, перед установкой счетчика внимательно изучите документацию, инструкции, примеры подключения схем однофазного счетчика и т.д.. Чтобы правильно подключить однофазный счетчик, нам, в первую очередь, понадобится схема однофазного счетчика, которую можно отыскать:
документация, которой комплектуется электросчетчик – это паспорт, инструкция или формуляр на счетчик, где указываются все характеристики, заводской номер, даты выпуска и поверки счетчика, и конечно — сама схема однофазного счетчика;
дополнительно в комплект документов на счетчик может входить и руководство по эксплуатации, в котором также будет указана схема однофазного счетчика;
в обязательном порядке, на обратной стороне клеммной крышки любого электросчетчика, будет нанесена схема однофазного счетчика;
ну и конечно, схема однофазного счетчика найдется в интернете.
Изучив схему однофазного счетчика «на бумаге», обратимся непосредственно к самому электросчетчику.
Простой однофазный счетчик имеет 4 контакта на клеммной колодке:
- клемма №1 – ввод фазы от внешней сети (к дому или квартире)
- клемма №2 – выход фазы (внутрь дома или квартиры)
- клемма №3 — ввод нуля от внешней сети (к дому или квартире)
- клемма №4 — выход нуля (внутрь дома или квартиры)
В такой же последовательности и подключаем провода к контактам нашего однофазного электросчетчика, не забыв, отключить автомат, пробки или рубильник, который установлен перед однофазным электросчетчиком, если у вас вводной кабель (провод) сразу приходит на счетчик, в этом случае, необходимо отключать линию.
При замене старого однофазного электросчетчика, если вы решили заменить его самостоятельно или позвали друга-соседа-электрика, как минимум, сделайте звонок в вашу сетевую компанию, управляющую компанию, ТСЖ и узнайте, что нужно сделать, чтобы заменить однофазный счетчик. Главный вопрос — кто будет срывать пломбу со старого счетчика.
Если вы сорвете пломбу со старого электросчетчика, и установите новый, и только лишь после этого сообщите об этом в электросети, могут возникнуть серьезные проблемы. Вас могут обвинить в воровстве электроэнергии (сорвана пломба) и выставят крупный штраф.
Схема однофазного счетчика с вводным автоматом
Схема однофазного счетчика, когда перед счетчиком установлен вводной автомат. Так должно быть по ПУЭ, но если вводной автомат нельзя опломбировать, сетевая организация не разрешит такую схему подключения счетчика.
Схема однофазного счетчика, когда вводной автомат установлен после счетчика. Этот вариант подключения электросчетчика применяется, если нет возможности опломбировать вводной автомат. Кабель (провод) подключается напрямую к электросчетчику, клеммная крышка пломбируется и нет возможности хищения электроэнергии.
Спасибо за внимание. Запись опубликована в рубрике Электрика с метками Счетчики
Добавьте в закладки постоянную ссылку
Запись опубликована в рубрике Электрика с метками Счетчики. Добавьте в закладки постоянную ссылку.
Возможные проблемы
Технических проблем с подключением возникнуть не должно. При этом показания счетчика будут отображаться корректно на табло прибора учета.
Разберем различные ситуации и возможные проблемы:
- Подключения дома с нормальной нагрузкой, не превышающей 10 Квт. В этом случае возникает проблема с регистрацией прибора. Сбытовая организация вправе не поставить его на учет и опломбировать. Аргументируя тем, что электросчетчик используется не по назначению. Хотя строгих правил не существует, инспектор формально будет прав. Все будет завесить от инспектора;
- Выданы технические условия на подключение дома к трехфазной сети, но технические возможности отсутствуют. В этом случае инспектор вправе зарегистрировать прибор и опломбировать. Но он даст временное разрешение, которое длится годами, пока электросети не исправят положение;
- Выдано разрешение на подключение к однофазной сети мощности 15 Квт. Электросети на это идут крайне редко, но в жизни такое случается. Однофазные счетчики рассчитаны на токи, не превышающие 60А. А нагрузка 15 Квт потребляет ток 75 А. Трехфазный счетчик прямого включения рассчитан на 100 А. Поэтому, в качестве исключения, энергосбыт даст разрешение на монтаж трехфазного счетчика;
- Установка прибора учета в гараже или садоводческом товариществе. Здесь все просто. Местному электрику абсолютно все равно, какой прибор учета установлен в боксе или домике. Главное, чтобы он показывал расход электроэнергии правильно.
Из вышесказанного можно сделать вывод, что трехфазные приборы учета электроэнергии использовать в однофазной сети можно. Показания расхода электроэнергии отображаются верно. Однако при регистрации возникают проблемы, решение которых зависит от инспектора обслуживающей организации.
Правила законной и безопасной установки
Прежде, чем приступать к установке электросчётчика и даже перед тем, как бежать в магазин, чтобы его приобрести, нужно познать все премудрости его безопасной и законной установки.
Установка электросчётчика не наша прихоть, а требование закона и поставщика электроэнергии.
На каждом электросчётчике есть пломба, которая устанавливается поставщиком электричества. Заменить электросчётчик, не повредив ее, невозможно. Поэтому перед тем, как приступить к его замене, следует уведомить об этом своего поставщика электроэнергии.
Для вашей же безопасности все работы по замене электросчётчика следует проводить исключительно при полном обесточивании, что можно сделать, отключив соответствующий автомат на внешнем щитке. Такой обычно расположен в подъезде на лестничной клетке, либо же недалеко от частного дома.
Устройство и принцип работы
На практике применяются различные трехфазные счетчики электроэнергии, отличающиеся принципом действия:
- Индукционные – представляют собой набор обмоток тока и напряжения для каждого из фазных проводников, которые приводят в движение алюминиевый диск, вращающийся от воздействия электромагнитных полей.
- Электронные – осуществляют измерение и подсчет данных без использования подвижных элементов. Основой реализации электронных трехфазных электросчетчиков является система преобразования аналогового сигнала в цифровой.
- Гибридные – представляют собой переходной этап от индукционных моделей с механическими вращающимися частями к электронным.
Каждый тип счетчика обладает своими конструктивными особенностями, поэтому в качестве примера рассмотрим обобщенную модель электронного трехфазного прибора учета, как наиболее перспективного.

Рис. 1. Устройство трехфазного счетчика электроэнергии
Конструктивно такой счетчик электроэнергии состоит из:
- Датчиков тока и напряжения, которые предназначены для измерения электрических величин в электрической цепи.
- Электронного преобразователя – осуществляет вычисление мощности и по всем фазным потребителям. Может быть представлен несколькими отдельными модулями.
- Микроконтроллера – предназначен для приема счетных импульсов и преобразования сигнала в другие виды.
- Дисплея – предназначен для отображения величины мощности и других параметров электрической цепи.
- Блок памяти – присутствует в электронных моделях, позволяет хранить и извлекать нужную информацию о расходах электроэнергии.
- Блок зажимов – может разделяться на силовые и слаботочные. Первые из них предназначены для включения в трехфазную линию, а вторые для передачи данных по линиям связи.
Принцип действия трехфазного счетчика электроэнергии заключается в измерении силы тока и разности потенциалов для каждого из фазных проводников посредством датчиков тока и напряжения. Затем и ток, и напряжения по каждому фазному выводу проходит этап перемножения в электронном блоке, у индукционных счетчиков электроэнергии эта процедура осуществлялась посредством воздействия полей обмоток на алюминиевый диск. От электронного блока за вычисленную единицу мощности формируется счетный импульс и передается на микроконтроллер. В зависимости от количества поданных импульсов микроконтроллер вычисляет количество потребленных киловатт-часов.
Микроконтроллер представляет собой логическую единицу трехфазного счетчика электрической энергии. Он подает команду на дисплей о смене данных по мере транзита мощности через датчики. Вместе с тем микроконтроллер трехфазного электросчетчика может извлекать из блока памяти информацию об израсходованной мощности за определенный период или в определенном тарифе, что особенно актуально для многотарифных счетчиков электроэнергии. Также микроконтроллер может транслировать информацию по каналам связи через систему АСКУЭ на удаленный диспетчерский пункт.



































