Подключение трехфазного счетчика прямого включения
13 Июл 2018г | Раздел: Электрика
Здравствуйте, уважаемые читатели сайта sesaga.ru. Для учета потребляемой электрической энергии в трехфазных четырехпроводных цепях переменного тока применяют трехфазные электрические счетчики, разделяющиеся по типу подключения на счетчики непосредственного включения, полукосвенного и косвенного включения.
Газовый счетчик вк g4t на сайте gazo-schetchik.ru
Счетчики полукосвенного и косвенного включения предназначены для работы в мощных электрических сетях и применяются для учета энергии на крупных строительных объектах, промышленных предприятиях, заводах и т.п.
Счетчик измеряет потребляемую энергию с помощью разделительных трансформаторов тока, которые устанавливают на каждую фазу. Трансформаторы преобразуют входной сигнал тока до определенной величины, который затем поступает в измерительную часть счетчика.
Отсюда и происходит название способа включения, потому что в процессе измерения ток сначала проходит через трансформаторы и понижается до рабочего диапазона счетчика, и только потом попадает в его измерительную часть. Поэтому за счет применения трансформаторов счетчики косвенного и полукосвенного включения могут работать с нагрузкой в несколько раз превышающей их рабочий ток.
Счетчики непосредственного включения применяются для учета потребляемой энергии в электрической сети маломощного потребителя. Измерение электроэнергии осуществляется внутренней схемой самого счетчика, которая подключается непосредственно к трехфазной четырехпроводной сети переменного тока. И хотя такое включение ограничено максимальным током, который способен пропустить счетчик и ограничено величиной 100 Ампер, однако этого тока вполне достаточно для домашней электрической сети.
На примере трехфазного счетчика непосредственного включения «Энергомера» я расскажу Вам, как его включить в трехфазную сеть. В принципе, схема подключения дается в руководстве по эксплуатации и дополнительно изображена на корпусе счетчика, поэтому проблем с подключением возникнуть не должно. Однако эти схемы имеют один минус – на них не показано включение коммутационной аппаратуры.
Сейчас мы этот минус устраним.
Итак. Для подключения нам понадобится счетчик, два автоматических выключателя и нулевая шинка. Автомат, который будет стоять на вводе (перед счетчиком), желательно установить четырехполюсный, чтобы при необходимости или возникновении аварийной ситуации можно было полностью отключить себя от линии.
Чтобы добраться до клеммной колодки необходимо открутить винт и снять нижнюю крышку. На рисунке винт обозначен кружком.
Сначала подключим вводной автомат.
С выходных клемм автомата фазы А, В, С (белый провод) подключают на входные клеммы счетчика 1-3-5, а ноль N (синий провод) на клемму 7.
В процессе монтажа провод от изоляции очищают следующим образом: конец провода, подключаемый к выходной клемме автоматического выключателя, очищают от изоляции на длину 8 – 10 мм, а конец, подключаемый к клемме счетчика, очищают на длину 27 – 30 мм.
При подключении провода к счетчику откручивают оба винта контактного зажима. Провод вставляют до упора и первым закручивают верхний винт. Легким подергиванием провода убеждаются, что он плотно зажат и если зажат, то затягивают нижний винт.
Совет. Если счетчик предполагается использовать в частном доме или квартире, то монтаж внутренних соединений выполняется медным проводом сечением 4мм². Использовать провод сечением свыше 4мм² нет смысла, так как для домашнего потребителя Россеть более 15 кВт не дает и по техническим условиям вводной автомат разрешает устанавливать на нагрузку не более 25 Ампер. А рабочий ток медной жилы сечением 4мм² составляет приблизительно 32 Ампера, чего вполне достаточно.
Продолжаем.
С выходных клемм счетчика 2-4-6 провода фаз А, В, С подключаются на входные клеммы автоматического выключателя, с выхода которого трехфазное напряжение поступает в домашнюю электрическую сеть. С клеммы 8 нулевой провод N подключается к нулевой шинке.
А вот как выглядит полная монтажная схема включения трехфазного счетчика.
Теперь если подать напряжение на счетчик, то на его лицевой панели должен зажечься световой индикатор «Сеть». А при подключении нагрузки световой индикатор «600 imp/kW•h» (или «400 imp/kW•h» — в зависимости от исполнения) должен мигать.
Также рекомендую посмотреть ролик о включении трехфазного счетчика прямого включения в трехфазную электрическую сеть.
Подключение трехфазного счетчика полукосвенного включения
Данные приборы включаются в сеть через трансформаторы тока, благодаря чему появляется возможность использовать их в сетях с довольно высокими мощностями (до 60кВт). Используя такой способ учета, для определения расхода нужно разность показаний умножать на установленный коэффициент трансформации.
Существует несколько разновидностей подключения счетчиков полукосвенного подключения.
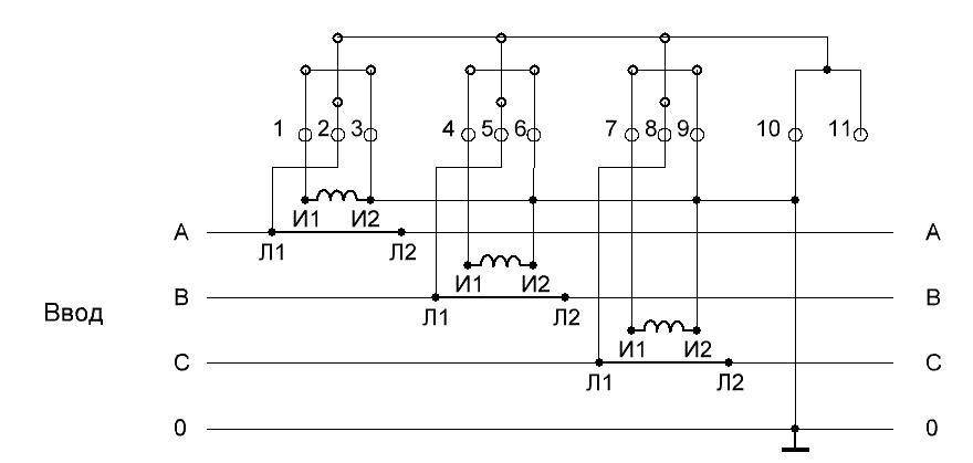
1 Подключение трансформаторов тока «звездой»
Процесс подключения проводов имеет вид:
- контакты 3, 6, 9, 10 – замыкаются и подключаются к нулевому проводу;
- контакты И2 – замыкаются, подключаются к клемме 11;
- 1 – к И1 фазы А;
- 4 – к И1 фазы В;
- 7 – к И1 фазы С;
- 2 – к Л1 фазы А;
- 5 – к Л1 фазы В;
- 8 – к Л1 фазы С.
Рисунок — Схема подключения «звездой»
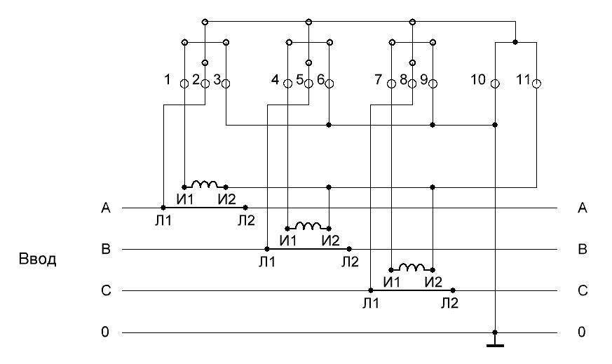
2. Десятипроводная схема включения счетчика
10-ти проводная схема
Эта схема характеризуется улучшенной электробезопасностью, ввиду изоляции друг от друга цепей тока и напряжения.
3. Подключение трехфазного счетчика косвенного подключения
Эти устройства предназначены для выполнения учета электроэнергии на высоковольтных присоединениях (6-10кВ и более), подключение реализуется при помощи трансформаторов напряжения, тока.
Ниже представлены основные схемы подключения трехфазных счетчиков через трансформаторы тока и напряжения:
1) Схема включения трехэлементного счетчика в четырехпроводную сеть с заземленной нейтралью: (рисунок ниже)2) Схема включения трехэлементного счетчика в четырехпроводную сеть. Три трансформатора тока, прямое подключение к напряжению:(рисунок ниже)3) Схема включения трехэлементного счетчика к трехпроводной линии — два трансформатора тока, три трансформатора напряжения:(рисунок ниже)
При подключении трехэлементного счетчика по схеме №3:
- ток по фазе В вычисляется с вычетом тока нулевой последовательности;
- не используются токи прямой, обратной и нулевой последовательности основной частоты (симметричные составляющие);
- активная и реактивная мощности по фазе В вычисляются с вычетом тока нулевой последовательности из фазного тока;
- учет электрической энергии ведется с учетом вышеприведенных замечаний.
4) Схема включения двухэлементного счетчика к трехпроводной линии — два трансформатора тока, два трансформатора напряжения (рисунок ниже)
При подключении счетчика по схемам №4 и №5:
- не измеряется напряжение нулевой последовательности основной частоты (симметричные составляющие);
- не измеряются токи прямой, обратной и нулевой последовательности основной частоты (симметричные составляющие);
- мощности присоединения вычисляются по формулам;
- учет электрической энергии ведется с учетом вышеприведенных замечаний.
5) Схема подключения двухэлементного счетчика к трехпроводной линии – два трансформатора тока, прямое подключение по напряжению (рисунок ниже)
Внимание!: Возможность подключения по конкретной схеме должна быть указана в паспорте или руководстве на конкретный тип счетчика. Счетчик прямого включения трехфазный Энергомера. Счетчик прямого включения трехфазный Энергомера
Счетчик прямого включения трехфазный Энергомера
Сегодняшняя статья посвящена разборке счетчика прямого включения Энергомера ЦЭ 6803В. Напоминаю, у меня уже есть подобная статья про устройство однофазного счетчика Энергомера. Там же – информация о том, как счетчик считает электроэнергию.
На этот раз – не одна, а три фазы!
Кто глубже интересуется темой – я подробно уже написал в другой статье, чем три фазы отличаются от одной.
По таким счетчикам у меня есть ещё одна популярная статья – про подключение и монтаж трехфазных счетчиков. Там очень подробно, как закрепить и подсоединить такие счетчики.
Мне попал в руки трехфазный счетчик, который снят с эксплуатации. Разбирать будем до винтика, приготовьтесь!
Разновидности схем подключения
Трехфазный счетчик прямого подключения

Устройство предназначено для монтажа в электролиниях с силой тока до 100 А. Так можно снизить нагрузку техники, совместимой с приборами учета до 60 кВт. Особенность прямых счетчиков – невозможность присоединения контактов к проводникам большого сечения. Подключаться следует так:
- С кабеля снимается изоляционный слой на 5 мм. Окисления удаляются при помощи растворителя.
- Проводники подсоединяются на трехполюсный автомат, установленный для счетчика. Это выполняется с целью его защиты от замыкания на линии питания.
- В клеммном отделе прибора находятся контакты.
- На нечетные подкидываются 3 провода фазы от автовыключателя питания.
- Вводные и выходные нейтрали соединяются с клеммами № 7 и № 8.
- После установки учетного модуля ставится автомат, аналогичный вводному изделию.
- Выключатель подсоединяется на четные клеммы.
- Проводится разбивка техники на группы и на каждую фазу ставятся автоматы (для сетей с напряжением 220 В).
Особенности схемы подключения можно посмотреть на крышке клеммника.
Подсоединение прибора учета полукосвенным способом
Полукосвенный электросчетчик подкидывается на трансформаторы учета. Считать количество использованной энергии нужно, ориентируясь на преобразовательный индекс. Для этого используется одна из схем:
- Десятипроводная. Понадобится 11 проводов, которые подключаются справа влево. На первые 3 подсоединяется фаза А, на вторые 3 – фаза В. На кабели № 7-9 подкидывается фаза С, на десятый – нейтраль. Подключать трехфазник нужно испытательными колодками.
- Звезда. Применение схемы позволяет сократить количество проводников. Вначале в одной общей точке собираются первые однополярные выходы вторичной обмотки. Следующие 3 точки от выходов направляются на счетчик. Токовые обмотки соединяются.

Звезда

Десятипроводная
Полукосвенные модели также допускается подкидывать при помощи сцепки цепи тока с цепью напряжения.
Косвенный метод подключения счетчика

Схема включения трехэлементного счетчика к трехпроводной линии — два трансформатора тока, три трансформатора напряжения При минимальных энергозатратах актуально косвенное соединение. Поскольку через учетные изделия проходит повышенный ток, требуется раздельный трансформатор. Преобразователь разрывает токовую обмотку при подключении. Схема реализуется последовательно:
- Подбор материалов для первичного и вторичного контуров. Для первички понадобится толстый проводник, пропущенный через центр трансформатора. Вторичка навивается из тонкой проволоки.
- Трансформаторы подкидываются на каждую из фаз и крепятся к задней стенке распредшкафа.
- Концы проводов первички подключаются к автомату на вводе.
- Вторая часть контактов первичного контура отдельными проводниками сечением 1,5 мм2 подсоединяется на клеммы № 2, 5 и 8.
- Вторичную катушку подсоединяют аналогичными кабелями на выводы учетного прибора – 1 к 3, 4, а 6 и 7 к 9.
- На клеммники № 10 и 11 подкидывают нейтральный провод.
Необходимость в трёхфазном учете
Согласно требованиям действующих нормативов, при возрастании величины потребляемой объектом мощности до значений 15-20 кВт и выше должна применяться трехфазная система питания. Объясняется это тем, что при указанных мощностях величина электрического тока в цепях может достигать 70-ти Ампер, что считается недопустимым для городских квартир.
Дополнительная информация. Для обеспечения нормального режима работы многоквартирной сети потребуется электрический кабель с сечением жил порядка 10 мм², монтаж которых практически невозможен в реальных условиях.
При данных показателях потребления действующими положениями ПУЭ предписывается использование системы энергоснабжения, рассчитанной на 380 Вольт. Учёт расходуемой энергии в этом случае обеспечивается подключением трехфазного электросчетчика непосредственно в питающую цепь.
Потребляемая при этом мощность распределяется между тремя фазными жилами, вследствие чего ток в каждой из них снижается примерно до 2,5 Ампер. Благодаря такому подходу, сечение жил подводящего кабеля, к которому подключается вся электросеть, можно будет уменьшить до значения порядка 2,5 мм².
Зависимость сечения проводников от протекающего по ним тока или от потребляемой нагрузкой мощности представлена в отдельной таблице (смотрите https://elquanta.ru/schetchiki/podklyuchenie-schetchika.html). Понятно, что при уменьшении этого параметра снижается и стоимость всей электропроводки, а также существенно упрощается ее монтаж.
Переход на современную и универсальную трехфазную схему питания предпочтителен и с точки зрения поддержания требуемого температурного баланса, обеспечивающего безопасные условия эксплуатации всей системы электроснабжения.
Естественно, что этот способ организации электропитания и учёта в частном доме потребует значительных по величине материальных издержек. Так что всем желающим воспользоваться преимуществами трехфазного подключения необходимо заранее определиться со своими финансовыми возможностями.
Виды контрольной аппаратуры трехфазного типа
Существуют различные модификации трехфазной контрольной аппаратуры, отличающихся способами подключения и тарификацией. Большинству технических условий соответствует конструкция трехфазного счетчика Меркурий 231. Эти устройства могут использоваться с трехжильными или четырехжильными проводами, с нулевой жилой или без нее. В соответствии с конкретными условиями используются схемы прямого, косвенного или полукосвенного подсоединения.

При использовании схемы прямого подключения, электрический ток попадает к потребителю проходя непосредственно через контрольное устройство. Другие варианты предполагают использование трансформаторов тока, исключающих прямой контакт с токопроводящими жилами. Вся информация поступает на счетчик от трансформаторов, закрепленных на специальной шине. Такая схема применяется при более высоких токовых нагрузках и сетевом напряжении.
Возможность тарификации позволяет сэкономить значительные денежные средства. Поэтому среди владельцев недвижимости все более популярной становится монтаж трехфазного счетчика в частном доме, работающего по двум тарифам. Данные приборы автоматически переключаются на работу в дневном и ночном режиме и отдельно рассчитывают затраты электричества для каждого времени суток. Подсоединение двухтарифных устройств выполняется таким же образом, как и обыкновенная трёхфазная аппаратура.
Принцип работы трёхфазного счётчика электроэнергии

Для примера рассмотрим модели «Нева». Они имеют конструктивное исполнение для установки на 3 винта и DIN-рейку. Корпуса приборов сделаны из прочных негорючих материалов, предохраняют устройства от пыли, влаги, ударов и других воздействий. Незаметно вскрыть корпус и повредить механизм практически невозможно.
Чтобы не допустить вмешательство посторонних лиц, все выходы пломбируются. При покупке устройства необходимо проверить наличие всех пломб и элементов защиты, в противном случае электросчётчик может оказаться непригодным для эксплуатации.
При монтаже трёхфазных приборов учёта принимается во внимание наличие нулевого провода. Если в сети он есть — ставят четырёхпроводную модель, если нет — трёхпроводную
В большинстве случаев трёхфазные счётчики электрической энергии позволяют снимать показания как удаленно, при помощи программных интерфейсов, так и непосредственно с табло. Для обмена данными прибор имеет встроенный инфракрасный порт. Погрешность измерения соответствует классу точности 1 и 0,5.
Использовать трёхфазный счётчик электроэнергии можно как в бытовой сфере, так и на промышленных и энергетических предприятиях. Средняя наработка до отказа составляет 210–280 тысяч часов, а срок службы — около 30 лет.
Как установить однофазный электросчетчик
Поэтому крепление таких аппаратов пломбировалось инспекторами Энергонадзора.
Нулевой провод от вводного автомата идет либо напрямую на второй контакт электросчетчика, либо на него же, но через устройство защитного отключения УЗО. Вариант установки счётчика зависит от нескольких технических моментов. Перед подключением ведь все равно придется снять защитную крышку контактов, а именно на внутренней ее стороне и показано расположение подключаемых проводов.
Как подключить счетчик электроэнергии в частном доме на улице Правила установки электросчетчика в частном доме на улице не отличаются от правил внутридомового монтажа. Перегрев самого оборудования, который в кратчайшие сроки выведет его из строя.
Подключение счетчика в подъезде Для начала нужно сделать ответвления от питающей линии. В этом случае вы сможете сэкономить на электроэнергии. Многотарифные электросчетчики Потребление электроэнергии неравномерное в разное время суток.
По современным требованиям щиток с электросчетчиком должен быть установлен снаружи дачи или коттеджа. Они более надежны, компактны, а результат измерений выводится на дисплей. За счет этого изготовитель гарантирует, что провода будут подсоединены правильно. Поэтому крепление таких аппаратов пломбировалось инспекторами Энергонадзора.
Схемы подключения приборов учета электроэнергии

Если считать эти клеммы слева направо, то первая клемма — это приходящая фаза, вторая клемма — выходящая фаза. Римскими цифрами указан квартал, а арабскими, на обратной стороне — год даты госповерки. Им разрешается только включать автоматы защиты в распределительном отделении, если они сработают от перегрузки или короткого замыкания. Чаще всего он устанавливается в коридоре или у входной двери.
Как самостоятельно сделать проводку в доме читайте тут. При помощи специального механизма на обратной стороне, его можно зафиксировать на верхней рейке внутри бокса. После этого подаётся напряжение, включается электрическая нагрузка в виде бытовых потребителей и визуально определяется работа счётчика. На следующем рисунке изображена схема подключения электросчетчика. Тем более что электросчетчика и автоматов силового шкафа это правило касается в первую очередь.
В квартирах монтаж электросчетчиков производится на лестничной площадке. Если эти приборы размещены в приватизированной квартире, в гараже, в бытовом помещении или в пределах границы коттеджного или дачного участка, то их установку, обслуживание и замену осуществляет владелец собственности.
Монтаж щитка ввода СИП и счетчика своими руками
Подключение через трансформаторы тока
Максимальный ток счетчика электроэнергии, как правило, ограничен значением 100 А, поэтому применить их в мощных электроустановках невозможно. В этом случае подключение к трехфазной сети идет не напрямую, а через трансформаторы. Это также позволяет расширить диапазон измерения приборов учета по току и напряжению. Однако, основная задача входных трансформаторов – уменьшить первичные токи и напряжения до номинальных значений для ЭС и защитных реле.
О том, как выбрать трансформаторы тока для счетчика, читайте в статье: https://samelectrik.ru/pravilnyj-vybor-transformatora-toka-dlya-schetchika.html.
Полукосвенное
При подключении счетчика через трансформатор необходимо следить за порядком присоединения начала и конца обмоток трансформатора тока, как первичной (Л1, Л2), так и вторичной (И1, И2). Аналогично нужно следить за правильность включения трансформатора напряжения. Общую точку вторичных обмоток трансформаторов необходимо заземлять.
Назначение контактов трансформатора тока:
- Л1 — вход фазной (силовой) линии.
- Л2 — выход фазной линии (нагрузка).
- И1 — вход измерительной обмотки.
- И2 — выход измерительной обмотки.

Рисунок 5 – Десятипроводная схема подключения через ТТ
Такой тип включения электросчетчика в сеть 380 Вольт позволяет разделить цепи тока и напряжения, что повышает электробезопасность. Минусом данной электрической схемы трехфазного подсоединения счетчика является большое количество проводов, необходимых для подключения ЭС.
Звезда
Такой тип подключения счетчика электроэнергии с заземлением к сети 380 В требует меньшего количества проводов. Включение по схеме звезда достигается объединением вывода И2 всех обмоток ТТ в одну общую точку и подсоединением к нулевому проводу (рисунок 6).

Рисунок 6 – Включение трансформаторов «звездой»
Недостатком этого способа подключения электросчетчика в сеть 380 Вольт является ненаглядность схемы соединений, что может усложнить проверку включения для представителей энергоснабжающих компаний.
Косвенное
Такая схема подключения трехфазного счетчика используется на высоковольтных присоединениях. Такой тип непрямого присоединения используется в большинстве случае лишь на крупных предприятиях и приведен лишь для ознакомления (рисунок 7).

Рисунок 7 – Косвенное включение
В этом случае используются не только трансформаторы тока, но и трансформаторы напряжения. Для трехфазного подключения необходимо заземлять общую точку трансформаторов тока и напряжения. Для минимизации погрешности измерений, если присутствует несимметрия фазовых напряжений необходимо, чтобы нулевой проводник сети был связан с нулевым зажимом счетчика.
Напоследок рекомендуем просмотреть еще одно полезное видео по теме:
Подробное объяснение
Предложенные в статье электросхемы являются типовыми. В случае если возникает необходимость, схему подключения счетчика всегда можно посмотреть в паспорте ЭС. Надеемся, что информация была для Вас интересной и полезной!
Схемы подключения
Конструктивно прибор учета электрической энергии состоит из цепи тока и цепи напряжения, суммарные показания которых обеспечивают вычисление мощности. В зависимости от способа подключения этих цепей к питающей линии все электросчетчики подразделяются на три основные категории:
- Прямого включения – цепь тока и напряжения включаются в линию напрямую.
- Косвенного включения – зажимы тока и напряжения подключаются к линии через трансформаторы тока и напряжения соответственно. Актуально для высоковольтных потребителей с большой мощностью.
- Полукосвеного включения – когда токовая цепь имеет трансформаторное подключение, а цепь напряжения прямое. Используется для учета электроэнергии потребителей с большой нагрузкой.
Помимо этого, в зависимости от количества фаз схема подключения электросчетчика может быть однофазной или трехфазной. Теперь рассмотрим эти принципы подключения более детально.
Однофазного электросчетчика
Однофазный электросчетчик, как правило, имеет прямое включение в цепь. Поэтому схема подключения будет выглядеть следующим образом:
Рис. 4. Схема подключения однофазного электросчетчика
Для подключения вам понадобится подключить фазный L и нейтральный N проводник к вводному автоматическому выключателю. Затем производится подключение фазного проводника к зажиму 1, с зажима 3, но подключается на защитную аппаратуру нагрузки. Подключение нейтрального проводника осуществляется к зажиму 4, а с 6 он подводится к УДТ нагрузки.
Трехфазного электросчетчика
Подключение трехфазного электросчетчика может иметь несколько вариантов, в зависимости от способа: прямого, косвенного и полукосвенного. Разберем каждый способ подключение на примере конкретной схемы.
Рис. 5. Схема прямого подключения трехфазного электросчетчика
Как видите на рисунке выше, схема прямого подключения трехфазного электросчетчика аналогична однофазному. Каждый фазный проводник (L1, L2, L3) также подключается в разрыв соответствующей пары зажимов прибора учета электроэнергии. Также поступают с нейтральным проводником N, подключение защитного проводника PE производится на отдельный клеммный ряд.
Рис. 6. Схема полукосвенного подключения трехфазного электросчетчика
Для полукосвенного подключения можно использовать 8-ми проводную схему, где цепь тока электросчетчика подсоединяется через измерительные трансформаторы тока ТТ1, ТТ2, ТТ3 и испытательную коробку. В данном случае трансформаторы тока одним выводом подключаются к фазному проводнику, а вторым к защитному PE.
Испытательная коробка необходима для проведения технических испытаний в процессе эксплуатации электрооборудования. Также на схеме приведен пример подключения систем электронного учета через зажимы 17 – 26. В случае подключения электросчетчика в системе с совмещенным PEN проводником применяется 10-ти проводная схема подключения, которая выглядит следующим образом:
Рис. 7. Схема полукосвенного включения электросчетчика в цепи с совмещенным PEN проводником
В этом случае каждый трансформатор тока имеет два вывода, подключаемых отдельно к соответствующим зажимам электросчетчика.
Рис. 8. Схема косвенного подключения трехфазного электросчетчика
При косвенном подключении цепь тока подсоединяется через трансформаторы тока ТТ1, ТТ2, ТТ3. А цепь напряжения электросчетчика через трансформаторы напряжения TN1, TN2, TN3. В остальном принцип подключения аналогичен предыдущим схемам.





































