Требования к фундаменту
Правильный фундамент должен соответствовать следующим требованиям:
- Достаточные прочностные характеристики и устойчивость – обеспечиваются правильно подобранными габаритами конструкции и качественными материалами, используемыми для его сооружения.
- Соответствие нагрузок от здания на грунт его сопротивлению.
- Устойчивость к воздействию касательных сил морозного пучения.
- Стойкость к воздействию грунтовых вод.
- Долговечность – достигается за счет правильной выполненной гидроизоляции и применения водо- и морозостойких материалов.

Рисунок 1. Универсальное ленточное основание
Изготовление фундамента с необходимыми прочностными и другими характеристиками возможно только при соблюдении всех вышеописанных требований.
Заливка монолитного фундамента
Рассмотрим нюансы заливки монолитного фундамента. Как уже упоминалось главные его отличия:
На таком основании можно возводить крайне тяжелые постройкиЗаливка этого фундамента частями не допускаетсяТребуется прочная опалубка. Оставить процесс, в случае если она не выдержит, невозможно.Последовательность работ при строительстве монолитной плиты выглядит так:Земляные работы, подготовка котлована.
- Видео строительства ленточного фундамента своими руками
Прежде чем сделать ленточный фундамент своими руками, нужно разметить площадь под застройку. Далее нужно произвести земельные работы. Здесь вроде бы все очень просто, но есть свои нюансы.
Для устранения перепадов нужно использовать водяной уровень.На первом этапе определяется самая нижняя точка участка. Она практически всегда располагается на внешних углах.
По этой точке определяем глубину ленты фундамента, она должна быть ниже глубины промерзания грунта.В средней полосе России, это около 1,5 метров. Многие скажут, что это очень глубоко и такой фундамент будет золотым. Но есть и обратная сторона медали, такой глубокозаглубленный ленточный фундамент, сделанный своими руками, точно прослужит долго, его не поведет, не сломает, он действительно будет хорошей основой для кирпичного дома.
Опалубка и армирование
Чтобы бетонная конструкция не треснула из-за разнонаправленных нагрузок, она армируется. Сам процесс представляет собой создание каркаса из стальных прутьев, который впоследствии заливается бетоном и остается внутри тела фундамента. Соединение прутьев может сварным или механическим. Используется круглая стержневая арматура двух видов:
- Ребристая – имеет усиленную жесткость.
- Гладкая.
Опалубка представляет собой форму будущей основы, в которую заливается жидкий бетон. Выполняется из деревянных, реже металлических щитов.
Дренаж и балласт

Независимо от выбранного типа основы необходимо обустройство балласта, являющегося промежуточным слоем между бетоном и почвой. Это позволяет равномерно распределить нагрузку и снизить воздействие влаги на конструкцию.
Для плитной или ленточной основы на дно котлована укладывается геотекстиль, поверх которого насыпается смесь песка и щебня. Ткань не позволит со временем песку перейти в глину.
Высота этого слоя от сорока до шестидесяти сантиметров, но не более чем половина высоты всего фундамента. Под столбчатый делают закладку геотекстиля в зависимости от глубины выемки.
Для лучшей утрамбовки песок смачивают водой после чего вручную или, используя виброплиту, трамбуют поверхность балласта. По окончании утрамбовки поверхность под ленточный и плитный фундамент покрывают гидроизоляцией и приступают к установке опалубки и армированию.
Опалубка
Высота опалубки принимается равной высоте цоколя или выше. Предпочтение отдается щитам из обрезной доски, поскольку фанера из-за долгого контакта с влажным бетоном быстро выходит из строя и ее нельзя будет использовать повторно.
Щиты устанавливаются по периметру заливки фундамента, размеченному согласно плану. Доски должны быть максимально подогнаны друг к другу, а чтобы исключить протекание полностью на дно формы укладывается полиэтилен. Его края должны выходить за верхнюю границу опалубки.
Щиты соединяются между собой при помощи крепежа, а дополнительно укрепляются подпорками из дерева, так как вес жидкого бетона достаточно велик.
Армирование

- Для столбчатого фундамента – арматура устанавливается в процессе формирования тела опоры. Следует предварительно изготовить каркас, для чего три ребристых стержня располагают продольно на равном расстоянии друг от друга, чтобы в профиле они образовали треугольник. Соединение между ними выполняется проволокой меньшего сечения путем сваривания в нескольких местах. Полученная конструкция погружается в бетон при заполнении формы наполовину. Если не планируется в дальнейшем приваривать какие-либо элементы к выходящей наружу арматуре, то высота каркаса должна быть на десять сантиметров ниже верхнего уровня опоры. Это позволит исключить коррозию металла.
- Для плитного и ленточного фундаментов – армирующий каркас монтируется до начала заливки в опалубке. Крепление продольных стержней осуществляется к выходящей из подземных опор арматуре, если таковые предусмотрены и дополнительно выполняются прихваты проволокой поперек. В остальных случаях каркас просто укладывается на подготовленное основание.
Как залить фундамент своими руками для дома
По определенному алгоритму осуществляется заливка фундамента под дом своими руками. Он предусматривает следующие этапы работ:
- Подготовку строительной площадки с удалением растительности, мусора, а также выполнение разметки контуров будущего основания.
- Земляные мероприятия, в процессе которых осуществляется выемка грунта и подсыпка основания.
- Сооружение щитовой опалубки с обеспечением герметичности и жесткости деревянной конструкции.
- Монтаж арматурного каркаса внутри опалубки с соединением отдельных прутков проволокой для вязания.
- Заполнение опалубки бетоном с последующим уплотнением бетонного массива для выхода воздушных пузырей.
Чтобы окончательно разобраться, как соорудить фундамент под дом своими руками, рассмотрим подробно каждый из этапов работ.
Назначение фундамента под дом
Фундаментом называют несущую часть конструкции здания, основной функцией которого является равномерное распределение веса конструкции по всему основанию.
Все разновидности этого строительного элемента имеют схожую конструкцию, которая включает в себя три основные составляющие:
- Песчаная подушка (она укладывается после того, как закончили копать яму своими руками) — утрамбованный слой песка (крупной фракции) толщиной от 50 до 150 мм. Такая песчаная подушка устраивается с целью снижения давления на нижележащий слой грунта, для его лучшего уплотнения и получения однородности.
- Бетон (раствор с добавкой щебня, гравия или без добавок). Играет роль основы и предназначен для передачи нагрузки строения на грунт. Его заливают после процедуры армирования.
- Армирование. В процессе эксплуатации фундамента на него воздействуют различные силы, которые приводят к сжатию и растяжению материала и последующему возникновению трещин. Именно во избежание появления таких трещин и устраивается армирование (сетка из армированных прутьев).
Фундамент под дом — подготовительные работы
В самом начале работ размечают площадку, соответствующая размерам предполагаемого фундамента. В качестве подручного материала при разметке, которая может производиться в соответствии с размерами будущего фундамента или шире на 10 см (для удобной копки), используют арматурные куски и леску.
Разметка фундамента
Размечать следует внешнюю сторону фундамента, а и внутреннюю – оптимальное расстояние для удобной копки составляет 40 см.
Прежде, чем начинать копать, рекомендуется произвести измерение диагоналей – совпадение их длин подтверждает правильность разметки.
Площадка обозначена, можно рыть котлован и приступать к смягчению нагрузки, которая приходиться на нижнюю фундаментную часть. Таким смягчителем послужит песок, который засыпается в котлован и утрамбовывается при помощи куска доски, обязательно поливаясь водой.
Таким образом можно значительно сократить расходы, связанные с выравниванием внешних сторон фундамента, также это обеспечивает полный контроль над высотой опалубки. Тем более, что такую доску, после того, как она выполнит роль опалубки, можно использовать в качестве стропил или применить для других целей.
Опалубку необходимо скрутить шурупами или сбить гвоздями, при этом следует учитывать, что шляпки должны располагаться с внутренней части опалубки – для упрощения разбора конструкции после застывания бетонного состава, а фундаментные стенки будут ровными.
Не стоит забывать про отверстия для канализационной и водопроводной систем, иначе в результате последующего проделывания отверстий, конструкция потеряет свою монолитность.
Для усиления бетонного фундамента
Обязательно нужно установить жесткую арматурную структуру. Для начала следует дно котлована проложить кусками строительного кирпича, а затем можно начинать армирование, состоящее из двух рядов.
Для надежной фиксации арматуры используется специальная вязальная проволока, которая обеспечивает присоединение горизонтальных перемычек, если таковой нет – можно воспользоваться сваркой, но не рекомендуется, так как существует возможность коррозии арматуры.
Следует учитывать то, чтобы конструкция была прочной, следует делать армирование в поперечном и продольном направлениях. После установки опалубки, следует проверить на сколько она прочно держится, чтобы в процессе заливки она не сместилась.
На этом подготовительный этап окончен, и теперь можно начинать саму заливку фундамента
Но тут может возникнуть вопрос – как залить фундамент под дом? Очень важно правильно рассчитать объем бетонного состава, который потребуется для того, чтобы заполнить бетоном опалубку. Это можно сделать, умножив ширину и глубину траншеи на ее периметр
Разметка места под будущий фундамент

После этого требуется подготовить необходимый инструмент, который включает в себя:
- Бечевка или леска;
- Колышки из дерева (длина может быть от 110 до 130 см);
- Измерительная рулетка. Предпочтение следует отдать длинным вариантам, до двадцати пяти метров;
- Бытовые ножницы для нарезки бечевки или лески;
- Строительный отвес;
- Слесарный угольник;
- Любое счетное устройство типа калькулятора. Оно будет необходимо для правильного расчета сторон заливаемого фундамента и объема смеси;

Первым делом нужно наметить место, в котором будет располагаться любой угол фасада здания, после чего в требуемую точку забивается имеющийся колышек. От установленной метки отмерить ширину планируемого фасада, после чего на требуемое расстояние вбивается второй колышек.

Используя строительный отвес проверяется возможное отклонение угла фасада, выставляется вертикаль, после чего от нее протягивается бечевка или леска, которая должна быть расположена строго перпендикулярно требуемой линии фасада.

Применяя слесарный угольник намечают оставшиеся углы здания, устанавливая колышки на требуемые места и соединяя последние бечевкой
После всех проведенных процедур важно проверить точность расположения вбитых маячков, для чего при помощи строительной рулетки производится замер диагоналей здания. При имеющемся расхождении нужно подкорректировать вбитые колышки

Таким образом, размечается внешний диаметр строения. Для определения внутреннего периметра, не отходя от линии разметки по разные стороны каждого вбитого колышка, также устанавливают еще по одному, отступая по сорок сантиметров в каждую сторону.

Соединяя бечевкой новые метки на противоположных сторонах, получаем внутреннюю разметку периметра дома.

После этого, сверяясь с намеченным планом дома, аналогичным способом при помощи колышков и бечевки наносят разметку внутренних несущих стен конструкции.

Яму (или канаву) под фундамент необходимо копать строго по имеющейся разметке. С этой целью возможно привлечение техники, такой как экскаватор или трактор, или же допускается воспользоваться обычной лопатой.

При наличии твердой или каменистой почвы глубина канавы может быть до 50 сантиметров, однако, для укрепления прочности фундамента в этом случае придется бурить землю через каждые две метра, включая угла фасада с последующей установкой столбов опоры.

Опорные столбы заглубляются на глубину порядка полутора метров от верхнего уровня траншеи, что позволит обеспечить прочный каркас фундамента и обеспечить надежность всей последующей конструкции.
Армирование
Поскольку здание создает значительную нагрузку на ленточный фундамент, то простая заливка в траншею цементной смеси не способна обеспечить создание бетонного основания требуемой прочности. Чтобы фундамент не разрушался под действием сил сжатия, в его конструкцию следует включить армирующие материалы.
Армирование свайного фундамента состоит в ведении перед заливкой бетона нескольких прутов металлической арматуры. Для фундамента ленточного потребуется более сложная пространственная конструкция, состоящая из размещенных в траншее вертикальных и металлических прутов металлической арматуры. Расстояние между соседними (параллельными) прутами не должно превышать 40 см. Чтобы армирующие пруты не изменили ориентации в пространстве, их следует связать стальной проволокой или прихватить электросваркой.
Заливка бетона, усадка
В целом устройство фундамента имеет такой порядок: подготовка траншей, установка опалубки, смазка внутренних плоскостей, сборка и размещение каркаса
Заливка бетона — это финал сооружения фундамента, но и здесь требуется большая доля внимания и осторожности.. Смесь в опалубку может подаваться двумя способами
Первый — напрямую из бетономешалки или автомобилесмесителя, второй — с перегрузкой посредством бетононасоса. При чисто гравитационном ссыпании смеси в форму физическое воздействие на опалубку выражено минимально: арматура гасит падение благодаря упругости, а небольшие порции не имеют достаточного веса чтобы испортить геометрию.
Смесь в опалубку может подаваться двумя способами. Первый — напрямую из бетономешалки или автомобилесмесителя, второй — с перегрузкой посредством бетононасоса. При чисто гравитационном ссыпании смеси в форму физическое воздействие на опалубку выражено минимально: арматура гасит падение благодаря упругости, а небольшие порции не имеют достаточного веса чтобы испортить геометрию.

Совершенно иначе дело обстоит с подачей через насос. Жидкость движется толчками и с силой выбрасывается из рукава достаточно большими порциями. При этом уже залитая масса передаёт воздействие на опалубку в полной мере, от чего возможны как расхождения стыков, так и вздутия при недостаточном укреплении листовых материалов.

Дабы избежать таких явлений, фундамент нужно заливать по периметру: сперва до половины или трети высоты, а затем повторять маршрут один или два раза. Оптимальной считается высота заливки по 0,5 метра за один проход, однако при общей высоте ленты более 1,5 метра рекомендуется выждать некоторое время до начала схватывания. В монолитном бетонировании допускается пауза до 20 часов между слоями, при большем промежутке времени возможно образование холодных швов.

Каждый залитый слой бетона должен уплотняться. Это можно сделать как ручным штыреванием, так и погружным вибратором. В последнем случае нужно стараться не усердствовать с усадкой в одном месте и погружать наконечник не глубже чем на 2/3 высоты. При необходимости дополнительного уплотнения его лучше проводить по тому же принципу, что и заливку: по периметру с перерывами на гравитационное осаждение.

Ленточный
При обустройстве ленточного фундамента на заранее размеченной территории оборудуются траншеи, глубиной ниже уровня промерзания. Ширина их должна составлять не больше 50-60 см.
Перед заливкой фундамента, обустраивается песчаная подушка – толщиной не менее 15-20 см; она должна быть пролита водой и хорошо утрамбована. На дно фундамента заливается первая порция бетонного раствора – толщиной не более 10-20 см. На первичный раствор укладывается армированная сетка, и сверху заливается бетонный раствор до поверхности грунта.
https://youtube.com/watch?v=ijHOpjLZQkc
Если ленточный фундамент должен выступать над землей, необходимо заранее соорудить опалубку из деревянных досок. Бетонный раствор нужно залить в опалубку. Деревянные доски опалубки можно снимать только после высыхания бетонного раствора.
Водонепроницаемая пленка
Как подлить фундамент: технология производства работ
Когда убрана старая отмостка, вырыта траншея, фундамент обследован и удалены поврежденные участки, можно приступать к установке арматуры
Это очень важно, поскольку надежная связь старого и нового фундамента гарантирует долговечность постройки
Для этой цели лучшим образом подходит арматура диаметром 10-12 мм.
Полезный совет: не стоит использовать для армирования угольник, швеллер или двутавр, они, несмотря на массивность, не будут выполнять функции арматуры.
В старом основании сверлятся отверстия победитовым сверлом, диаметр которого должен соответствовать диаметру арматуры. В отверстия забиваются отрезки арматуры, выступающие из стены примерно на 200 мм. К этим отрезкам крепится горизонтальная арматура. Под горизонтальные прутья на землю вертикально устанавливаются небольшие отрезки труб, так называемые стаканы, они нужны для того, чтобы арматура была полностью в растворе.
Важно: арматура в фундаменте никогда не сваривается, только скручивается специальными фиксаторами или при их отсутствии отрезками мягкой металлической проволоки. Зачем это делается? Дело в том, что грунт при перепадах температуры “играет”, эти перемещения заставляют двигаться фундамент, а жестко сваренные между собой арматурины приведут к растрескиванию основания
После армирования сооружается опалубка из досок. Если существует угроза распирания деревянного ограждения, следует установить подпорки снаружи. Изнутри опалубку желательно затянуть пленкой, чтобы цементный раствор не выходил через щели между досок.
На дно траншеи засыпается и утрамбовывается песочная подушка. Заливку фундамента нужно производить бетоном марки 200 или 250, в один день, применение вибратора позволит избежать завоздушивания. Как подлить фундамент к старому фундаменту мы выяснили, что же с ним делать дальше?
Ленточный фундамент своими руками: пошаговая инструкция
В связи с тем, что для строительства нет необходимости применять тяжелое техническое оборудование, каждый желающий может построить ленточный фундамент своими руками: пошаговая инструкция осуществления работ включает в себя несколько самостоятельных этапов.

Подробная схема строительства ленточного фундамента
Подготовка к работам и разметка по месту
Прежде чем приступить к возведению фундамента необходимо произвести планировку местности и разметку осей. Под планировкой подразумевается выравнивание всей площадки строительства по высоте. Если перепад высоты на участке значительный, то это обстоятельство необходимо учесть при рытье траншеи. В более высоких местах копать придется глубже, зато в более низких высота фундамента будет больше.

Шаг 1: Выравнивание площадки для строительства и разметка по месту
Разметка осей производится с помощью треугольника со сторонами 3:4:5. Углы должны получиться прямыми, а все диагонали равными.
Земляные работы
Это рытье траншеи на необходимую глубину по осям разметки. Глубина ее зависит от плотности грунта, расстояния до грунтовых вод, веса возводимого здания. Для многоэтажных зданий – это 1,5 м, а для частных домов достаточно 1 м, если позволяет грунт. После окончания копки траншеи, на ее дне проводится трамбовка и дренаж слоем песка и щебня. Это называется подушкой. Ширина траншеи зависит от типа материалов, из которых будут делаться стены. Для частных домов достаточно 60 см.

Шаг 2: Планировка местности и рытье траншеи
Создание опалубки для ленточного фундамента своими руками
Когда траншея готова, начинают сооружать опалубку. Некоторые строительные фирмы имеют в своем арсенале сборную многоразовую опалубку, которую очень удобно использовать. Своими руками опалубка для ленточного фундамента тоже может быть изготовлена. Для этого потребуется пиломатериал: бруски и тес. Его количество нужно рассчитывать индивидуально.

Шаг 3: После окончания рытья траншеи начинается сооружение опалубки
Опалубка имеет вид деревянного короба, установленный над всей траншеей. Так как туда будет заливаться жидкий раствор, то должна соблюдаться герметичность. Если этого невозможно достичь только с помощью досок, то можно обшить опалубку внутри рубероидом. Конструкция должна быть достаточно жесткой, чтобы выдержать давления залитого бетона. Для этого стенки опалубки скрепляются между собой перемычками через 2 – 3 метра. Как видим, создание опалубки для ленточного фундамента своими руками дело не такое уж и сложное.

Шаг 4: Создание опалубки для ленточного фундамента своими руками
Разметка
Подготовка строительной площадки к выполнению работ и разметка является серьезным подготовительным этапом, определяющим правильность расположения будущего основания. Осуществляйте подготовительные мероприятия в следующей очередности:
очистите поверхность грунта на площадке от растительности, мусора и крупных кореньев;
Подготовленная траншея с разметкой под ленточный фундамент
- разметьте контур траншеи, используя колышки и веревку (шнур);
- проконтролируйте рулеткой соответствие размеров диагоналей, свидетельствующее о наличии прямых углов;
- откорректируйте, при необходимости, положение колышков, окончательно зафиксируйте их в почве.
Распространенные ошибки при устройстве фундамента
Прежде, чем выяснять, как залить фундамент своими руками, стоит заранее ознакомиться с ошибками предшественников. Ведь строение с основой низкого качества служить будет одинаково недолго: из дорогих материалов или более дешевых аналогов.
Первое, от чего зависит надежность конструкций, заключается в проекте. Разработку документа стоит доверить профессионалам. Ведь здесь речь идет не о хозблоке, а долговечном жилом строении.
Многие считают, что ленточный тип универсален, однако ограничения имеются:
- этажность (нужно выбрать правильный подвид);
- подвижный грунт;
- склоны.
На этапе подготовки основания нельзя оставлять стенки траншеи осыпающимися. К трамбовке подушки нужно подходить ответственно. Ширина подосновы превышает площадь бетонной конструкции. На слабом грунте соблюдают высоту уплотненной засыпки минимум в 20 см. Глину здесь для гидроизоляции нельзя использовать. Она пучится и дает усадку.

Нередко заливают фундамент в траншею сразу на подушку. Так будет преждевременно уходить влага. Поэтому необходимо настилать предварительно техническую пленку.
Армирующий каркас собирают только с помощью вязальной проволоки. Сварные узлы не позволят прутьям двигаться вместе с бетоном. Это приводит к трещинам.
Также важно исключить любой контакт стержней с влагой. Она вызовет коррозию, что разрушительно воздействует на фундамент
Технология постройки мелкозаглубленного ленточного фундамента
Описание процесса самостоятельного утепления фундамента
Технология строительства фундамента под баню
Возведение бетонного фундамента для забора
Похожие публикации:
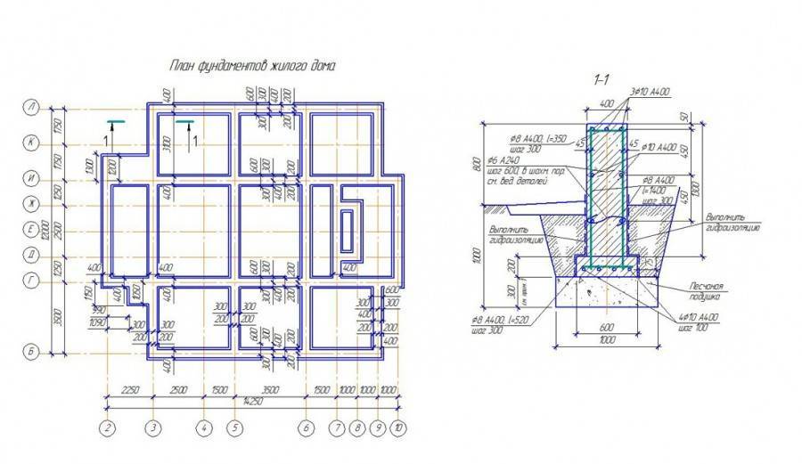
Формирование и монтаж арматурного каркаса
Расчёт несущей арматуры для фундаментов зданий индивидуального жилищного строительства не требуется и принимается конструктивно на основании положений СП 52-101-2003. Суммарное сечение стержней несущей арматуры назначается равным 0.002% от площади сечения ленты.
При расчёте, ширина, высота ленты берутся в миллиметрах. Например, при ширине 380 мм, высоте 1500 мм, площадь сечения ленты составит 570 000 мм2, суммарное сечение несущей арматуры — 1140 мм2. По таблице из ГОСТ 5781-82 подбирается арматура для верхнего, нижнего пояса. В нашем случае — 2 стержня арматуры А-400 диаметром 14 мм для верхнего пояса, 3 стержня арматуры А-400 диаметром 18 мм у нижнего пояса.
Конструктивные требования для каркаса регламентируются СНиП 52-101-2003, пункт 8:
- Габариты арматурного каркаса принимаются по сечению ленты с учётом формирования защитного слоя >30 мм при заливке.
- Расстояние между стержнями несущей арматуры верхнего пояса >300 мм, нижнего >250 мм. При этом учитывайте, что это расстояние должно быть > диаметра булавы глубинного вибратора для уплотнения бетона.
- Вертикальная конструкционная арматура рекомендуется класса А-250 диаметром 10 мм, расстояние ячейки сетки 300—400 мм.
- Крепление рабочей арматуры, хомутов, стыков рекомендуется мягкой обожжённой проволокой диаметром 6 мм.
- Нахлёстка стыков несущей арматуры при прямой анкеровке >250 мм.
- При монтаже каркаса в опалубке применяйте специальные подставки, обеспечивающие формирование защитного слоя >30 мм.
- После монтажа каркаса установите гильзы под коммуникации, закрепите верх опалубки.
Подготовительные работы
Этап подготовительных работ занимает важное место в процессе строительства дома. Прежде всего, необходимо очистить участок от строительного мусора, спилить лишние деревья и выкорчевать пни, убрать сухую траву
Предварительное зонирование участка позволит в процессе эксплуатации эффективно использовать каждый уголок. Нивелирование прилегающей территории лучше всего выполнить до начала строительных работ и заложения фундамента. Это не только придаст участку привлекательный вид, но значительно облегчит выполнение строительных работ на всех этапах. Рельеф местности с большими перепадами требует ступенчатого выравнивания территории.
Далее определяют точное место расположения дома и выполняют разметку фундамента. Для этого по всем углам будущего строения устанавливают колышки. Если дом стандартной прямоугольной формы, в результате должна получиться фигура с идеально равными углами в 90°. Если угол не выдержан, необходимо добиться этого результата, передвигая ограничительный шнур в ту или иную сторону.
Вдоль будущих стен, на одинаковом расстоянии друг от друга, также устанавливают колышки и натягивают между ними веревку или шнур. Диагонали, проведенные между углами строения, должны точно равняться друг другу.

Пример проверки углов в разметке – если диагонали равны, значит все углы 90° Источник homeframe.ru
При выполнении разметки под ленточный фундамент необходимо отступить от стен дома на расстояние, равное ширине фундамента. Чаще всего этот показатель составляет не более 20 см.
Копать траншею можно либо руками, либо с использованием специализированной техники. Ее формируют минимум на 20 см ниже точки промерзания земли, характерной для данной местности в зимний период. Копать траншею необходимо четко придерживаясь разметки и формируя плоское дно.
Особенности строительства на пучинистых грунтах
Пучинистые почвы опасны тем, что своей подвижностью во время заморозков или обильных осадков могут разрушить столбчатый фундамент. В таких условиях основание можно возводить только для лёгких и сверхлегких хозяйственных построек.
Единственным выходом будет снятие пучинистого слоя в пределах участка под застройку. Но в этом случае «овчинка не стоит выделки». Это просто не выгодно.
Можно рассматривать вариант точечной выборки слабопучинистого грунта с последующим заполнением выемок большим количеством песка и щебня, что тоже экономически не целесообразно. Хотя застройщик может рискнуть, но он должен знать, что может в любой момент лишиться своей постройки.
Выводы о видах фундаментов
Фундамент – это основа дома, верный выбор и монтаж которой определяет срок службы здания. Поэтому строить фундамент лучше по проекту, заказанному у специализированной организации. Проект должен быть разработан на основании исследований грунта.
Но даже без геологии и проекта можно самостоятельно выбрать и построить фундамент для своего дома. Однако для этого понадобится самостоятельно проверить структуру почв, а также посчитать нагрузку от дома.
Давайте вспомним, какие виды фундаментов бывают для строительства дома:
- ленточный монолитный;
- ленточный сборный;
- мелкозаглубленный;
- бутовый;
- свайно-ростверковый (винтовые, забивные и бурозаливные сваи);
- столбчатый;
- УШП.
Надеемся, что эта статья была полезна для вас.





































