Введение
Человек во все времена стремился окружить себя комфортом. Разумеется, то, что сейчас мы вкладываем в это понятие, нельзя сравнить с представлениями первобытного индивидуума об удобстве. До электричества, канализации, газо– и водоснабжения было еще далеко. Тем не менее, уже тогда люди, покорив огонь, стали использовать его для обогрева своего примитивного жилища. Кроме того, на очаге можно было согреть воду и приготовить еду. И это следует считать большим достижением и пусть минимальной, но благоустроенностью.
В настоящее время мы говорим не просто о том, что хорошо бы иметь теплый дом. Наши потребности несоизмеримо выросли. Нам требуется кухня, в которой без горячей и холодной воды, канализации и электричества мы чувствуем себя буквально выброшенными из жизни, потому что нельзя воспользоваться ни микроволновой печью, ни посудомоечной машиной, ни мультиваркой, ни электрическим чайником, в конце концов. Нам необходимы условия и для осуществления гигиенических процедур, для чего мы оборудуем отдельные помещения, в которых устанавливаем не обычный душ, а многофункциональную душевую кабину, не просто емкость для мытья, а джакузи (гидромассажную ванну) со всевозможными эффектами, и отдельный санузел с современным унитазом и биде настолько превратился в обыденность, что уже не кажется верхом комфорта.
Этот перечень без труда можно продолжить, поскольку в наших домах есть стиральные и сушильные машины, телевизоры и компьютеры, утюги и холодильники, кондиционеры и различный электроинструмент и т. д. Одним словом, мы не мыслим себе жизни без воды, электрического тока и газа. В отсутствие этих ставших уже привычными вещей наша жизнь превращается в сплошное мученье – настолько мы отвыкли от костра, стирки на берегу реки, дровяной печи и пр.
При этом одно дело, если мы живем в квартире, в которой уже есть минимальное инженерное оборудование, и совсем другое, если мы строим или купили дом, который находится в стороне от центрального водопровода и канализации и к которому еще только предстоит подвести все коммуникации. Об этом придется позаботиться самим. Конечно, при наличии большого количества свободных денег и отсутствии материальных затруднений это решается очень легко – обращаемся в фирмы соответствующего профиля, заключаем договоры и через некоторое время вселяемся в жилище со всеми удобствами. В случае же ограниченности в средствах хочется свести затраты к минимуму и все, что возможно, сделать собственными силами. Безусловно, есть моменты, например подключение к газовой сети, при реализации которых без специалистов не обойтись, но элементарно установить электрическую розетку, провести водопровод, выкопать колодец (мы ни в коем случае не имеем в виду, что для этого не требуется никаких знаний и сноровки!) и тому подобные действия не просто можно, но и нужно уметь делать самим.
Понятно, что при обустройстве дома и участка появление трудностей неизбежно. Когда только подумаешь, сколько всего необходимо переделать, невольно становится страшно и опускаются руки. Особенно сложно бывает, если не хватает средств. Тем не менее, есть способы, позволяющие справиться с, казалось бы, неразрешимыми ситуациями. В данной книге вы найдете информацию об оборудовании и материалах, которые потребуются для проведения на участок воды, электричества и газа, а в дом – отопления, причем от так называемых бюджетных вариантов до современных. А наши советы помогут не совершать ошибок при выполнении работ при выкапывании колодца, бурении скважины, установке розеток и выключателей, создании автономной системы канализации и т. д.
Однако прогресс не стоит на месте, инженерное оснащение дома и участка включает не только традиционные, но и новейшие виды и способы оборудования, для монтажа которых необходимо ориентироваться во многих областях. И современный отечественный рынок настолько изменился, что без пополнения или обновления уже полученных знаний просто не обойтись. При наличии соответствующего опыта и инженерного образования обеспечение дома необходимыми коммуникациями решается достаточно просто. А что делать, если человек далек от решения подобного рода задач? Он легко может стать заложником рекламы или фирм, не отличающихся добросовестностью
Поэтому важно по крайней мере контролировать процесс инженерного обеспечения дома и участка, ясно представляя себе, какого результата и какими способами вы хотите добиться
Всем этим вопросам (понятно, что мы не претендуем на всеохватность материала) мы и уделим внимание в нашей книге в надежде, что она поможет читателям хотя бы частично разрешить проблему благоустройства их дома
Специфика обустройства инженерных коммуникаций
Планируя структуру жизнеобеспечения в коттедже, на даче, в частном доме необходимо учесть множество нюансов:
- ландшафт;
- материалы строительства;
- план и смета затрат, как на саму постройку, так и всего участка и т. д.
Еще на этапе закладки фундамента следует предусмотреть места входа водопроводных и канализационных труб, обустройства котельной и пр. Качественно справиться с такой задачей могут только проектировщики и инженера, обладающие высоким уровнем квалификации. Ведь кроме всех вышеперечисленных моментов в расчет берутся и пожелания владельца недвижимости.
Самым лучшим вариантом будет обращение в специализированную организацию, которая выполняет работы комплексно:
- Создание проекта;
- Закупка материалов и оборудования;
- Монтаж;
- Сервисное обслуживание.
Считается, что обращение к частнику будет стоить дешевле, но только профильная фирма сможет обеспечить контроль качества выполняемых работ от начала и до конца.
Кроме того, когда предприятие получает комплексный заказ, можно рассчитывать на существенную скидку. Да, услуги частного подрядчика могут обойтись значительно дешевле. Но разницу в цене, как правило, обуславливает разница в качестве. И сэкономленные таким образом деньги впоследствии придется потратить на устранение недостатков.
Разновидности инженерных систем для частных домов
Инженерные системы, поддерживающие высокий уровень комфорта в частном доме, делятся на две основных категории — наружные и внутренние.
Жителям городских квартир может показаться чем-то непривычным существование наружных коммуникаций в том виде, в котором они известны владельцам собственных загородных участков. Тем не менее, элементы наружных систем составляют основную долю в общей структуре инженерных коммуникаций загородного дома. К ним относятся:
- автономные источники воды (скважины, колодцы и. т. д.) и наружные элементы систем водоснабжения;
- системы очистки бытовых стоков, укомплектованные канализационными резервуарами (септиками), отводящими трубами и дренажными сооружениями;
- наружные элементы систем автономного электроснабжения, газопроводные магистрали, а также другие сооружения, имеющие соответствующее предназначение.
Внутренние инженерные коммуникации для загородных домов создаются по тем же принципам, что и системы жизнеобеспечения в городских квартирах. А их перечень знаком каждому из нас: системы вентиляции, отопления, электроснабжения и установка канализации в частном доме, водопроводная разводка и внутренние элементы систем газоснабжения.
Системы вентиляции

В частном доме обязательно должна быть установлена эффективная система вентиляции, при этом вытяжные каналы в обязательном порядке монтируются там, где наблюдается высокий уровень влажности и образуются бытовые запахи: кухни, санузлы, и т. д.
В настоящее время на рынке представлено большое количество вентиляционных систем, которые соответствует современным стандартам, отличаясь долговечностью встроенного оборудования, пониженным уровнем шума и высокой производительностью. Вентиляционные системы с рекуператорами, канальными вентиляторами и другим современным оборудованием относятся к разряду инновационных. Современные опции, которыми они располагают (таймер, возможность автоматического включения при определенных условиях, подогрев поступающего в помещение воздуха и т. д.), приносят в дом максимальный уровень комфорта.
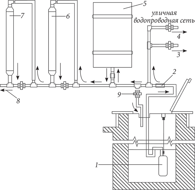
Установка канализации в частном доме
Существует несколько разновидностей подобного комплекса:
- центральная;
- накопительная;
- дренирующая;
- фильтрационная.
В центральной сточный стояк примыкает к централизованной магистрали, в которой все отходы накапливаются в городских коллекторах.
Накопительная представляет собой современную модификацию сливной ямы. Основное различие заключено в том, что подобная система наделена полноценной герметичностью. Различают резервуары из кирпича, металла, бетона или пластика.
Дренирующие системы также характеризуются наличием емкости, но в ней нет дна. Благодаря этому жидкость при помощи дренирующей подушки впитывается в землю.
Фильтрационный комплекс будет актуален для зданий, где наблюдается повышенное потребление воды. В установке присутствует несколько подземных емкостей, в которых несколько направлены на сбор и последовательное очищение отходов, а последняя — производит окончательную фильтрацию.
Выбирать нужный вариант необходимо на основании своих потребностей, особенностей участка и финансовых возможностей. На нашей площадке есть возможность получить подробную консультацию касательно каждого из вариантов, что поможет сделать плавильный выбор.
Установка канализации в частном доме предполагает оборудование следующими компонентами:
- стояками;
- фановой трубой;
- выходными патрубками;
- насосной станцией;
- коллекторами;
- септиками либо ЛОС;
- магистралью;
- системой инфильтрации.
На мероприятии соберутся поставщики, реализующие канализационное оборудование, а также организации, занимающиеся установочными и обслуживающими мероприятиями.






































